首頁 > 典型應用> 解決方案> 膠南市廣播電視臺播出前端系統解決方案
膠南市廣播電視臺播出前端系統解決方案
2012-07-30
為了響應國家廣電總局的號召,加快數字化系統改造的進程,大連科迪依據膠南市廣播電視臺的需求,結合臺內原有設備的實際情況,對播出前端系統進行針對性的數字化改造的解決方案:基于HD-SDI信號的Kd8100-S1602雙路時基高清信號播出切換器。
由于業務范疇的擴展,膠南市廣播電視臺現需新增2個頻道的數字硬盤播出系統,大連科迪憑借廣電行業的領先技術和以往的實際經驗,提出以HD-SDI數字高清矩陣進行信號的切換,并采用硬盤服務器結合HD-SDI雙路時基高清信號播出切換器的方式播出前端的解決方案。
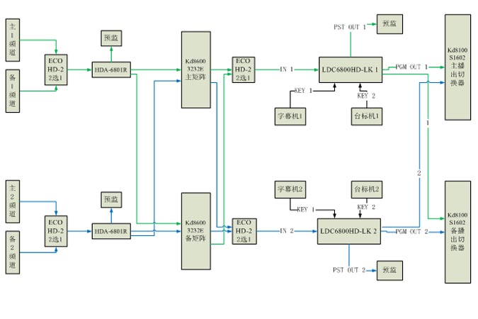
大連科迪播出前端系統在此次解決方案的設備包括Kd8600-3232E具有均衡功能的HD-SDI高清信號矩陣2臺、Kd8100-S1602雙路時基HD-SDI高清信號播出切換器2臺、Kd6800系列HDA-6801R具有均衡和時鐘恢復的HD-SDI高清信號1分8模塊2塊,并配有LDC6800HD-LK的HD-SDI高清信號臺標鍵控一體機2臺、ECO-HD-2雙路HD-SDI高清信號自動倒換器4臺、以及BG-40同步信號發生器。具體框圖如下:

圖1 基于HD-SDI信號的Kd8100-S1602雙路時基高清信號播出切換器播出前端系統框圖
與傳統的解決方案相比,大連科迪播出前端系統是基于HD-SDI信號,通過HD-SDI數字高清矩陣進行信號的切換,并采用硬盤服務器結合HD-SDI雙路時基高清信號播出切換器的方式播出前端的解決方案,省去了信號通過A/D轉換造成的信號損失,而且Kd8100-S1602雙路時基HD-SDI高清信號播出切換器,采用雙路數字時基設計,實現了節目播出信號任意切換無抖動、無閃爍,保證了切換畫面瞬間盡最大可能保持完整。整個系統采用主、備切換的形式,在優化系統、降低成本的同時,大大提高了播出系統的穩定性和可靠性,即使一路出現故障,另一路也可及時播出,整個系統運轉更加安全。
Kd8100-S1602雙路時基高清信號播出切換器播出前端系統具體功能說明:
支持1.485Gbps碼率下支持1080i50Hz/60Hz數字高清視頻信號的切換傳輸,并且向下兼容不同碼率的SDI 串行數字信號;
雙路數字時基設計,可實現節目播出(PGM)信號任意切換無抖動、無閃爍;
節目預監(PST)信號,可選配數字、模擬視頻監看輸出;
靜音切換功能,可完全消除切換時產生的噪音,達到靜音要求;
雙路總線設計,具有節目預監(PST)、節目播出(PGM)兩條輸出總線,而且節目預監(PST)、節目播出(PGM)均為2路分配輸出;
一鍵控制,采用雙位數碼LED顯示,執行(TAKE)一鍵控制節目預監(PST)和節目播出(PGM)狀態切換;
支持REF外同步視頻信號鎖相,場逆程切換,可保持切換畫面瞬間盡最大可能保持完整;
自適應輸入串行數字信號線纜均衡,在Belden 1694A 型號線纜(或等效線纜),碼率為 1.485Gbps的條件下,可傳輸150米,有效地解決了數字信號的傳輸問題;
具有掉電直通功能,保證設備在意外掉電情況下,播出切換器的最后一路的源信號自動跳轉至節目播出(PGM)通道應急輸出,以避免信號中斷;
具有掉電記憶功能,當設備在運行過程中突然掉電后重啟,其對應的切換輸出狀態將保持記憶,與掉電前相同,沒有任何變化,不需要重新設置;
具有多個RS-232串口,可根據客戶需要將部分串口修改為RS-422、RS-485串口,且可通過多個面板、中控、電腦對切換器進行控制;
支持網絡TCP/IP(以太網)控制,可根據預設網絡地址和開啟密碼實現不同權限的控制切換;
支持90~260V/AC,50/60Hz冗余熱備份電源,保證設備供電不間斷,更加安全可靠。


